Бокс навесной ЩРН-П-8 Schneider Electric EZ9E108P2SRU Easy9, дверь белая
Щит распределительный пластиковый навесной Schneider Electric серии Easy9 Box предназначен для установки модульного оборудования на объектах жилищного и гражданского строительства.
Устанавливается внутри помещений.
Преимущества
- Эргономичный дизайн.
- Гладкая блестящая поверхность.
- Легкая установка.
Материалы и цвета
- Цвет корпуса: Белый.
- Цвет двери: Белый.
- Материал корпуса: изоляционный самозатухающий технопластик стойкий к открытому пламени и аномальному нагреву +650 °С (30 сек.).
Особенности конструкции
- Дверца с углом открытия 180°.
- 1 din-рейка.
- Нейтральный и заземляющий клеммные блоки установлены на держатель.
- Ввод кабеля можно осуществлять сверху / снизу или с задней стороны.
- Маркировочная лента для модульного оборудования.
- Крепежные отверстия овальной формы для удобства установки и вертикального выравнивания щита.
- Указание расстояний до крепежных отверстий щита.
Технические характеристики
| Тип монтажа | накладной |
| Количество рядов | 1 |
| Количество модулей в ряду (18 мм) | 8 |
| Общее количество модулей в щите (18 мм) | 8 |
| Номинальный ток In, А | 63 |
| Номинальное рабочее напряжение Ue, В | 400 |
| Напряжение изоляции Ui, В | 500 |
| Клеммные блоки | 2 шт. х 8 контактов |
| Рабочая температура, °С | -5... +60 |
| Соответствие стандартам | IEC 60670-1-24 / ТС 004/2011 |
| Степень защиты от пыли и влаги | IP40 (при закрытой двери) |
| Степень защиты от механических воздействий | IK07 |
| Степень загрязнения | 2 |
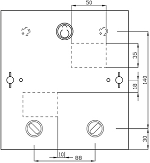
Габаритные и установочные размеры
| Вид сбоку | Вид сверху |
|---|---|
![]() |
![]() |
| Вид спереди | Вид сзади |
|---|---|
![]() |
![]() |
Преимущества
- Доставка по всей России
- Более 200 000 товаров в ассортименте
- Профессиональная консультация
- Кабель БЕЗ опасности
- Качество по ГОСТу
|
Бренд
|
Systeme Electric |
|
СрокГарантии, мес
|
12 |
|
Количество рядов
|
1 |
|
Общее количество модулей
|
8 |
|
Серия
|
914bacb1-5138-11e9-85f5-00155d166b05 |
|
Тип изделия
|
Бокс |
|
Цвет двери
|
белая |
-
Зайдите на страницу товара и нажмите на кнопку «В корзину».
Далее можно продолжить покупки или перейти к оформлению заказа.
-
Перейдите в Корзину и нажмите «Перейти к оформлению».
Можно авторизоваться или оформить заказ без регистрации. Зарегистрированные пользователи могут:
- Отслеживать статус заказа
- Получать спецпредложения и промокоды на дополнительные скидки
- Укажите Ваши контакты: ФИО, телефон и e-mail.
- Выберите способ получения заказа (доставка или пункт самовывоза) и способ оплаты.
- Далее «Оформить заказ».
Готово: ваш заказ создан! По электронной почте или в личном кабинете Вы можете отслеживать статус заказа.
Теперь останется только ждать доставки и радоваться новой покупке!
Оплачивайте покупки удобным способом.
В нашем интернет-магазине доступно 3 варианта оплаты:
- Оплата наличными или картой при самовывозе в пункте выдачи заказов/магазине.
- Онлайн-оплата на сайте при оформлении заказа. Для совершения покупки система перенаправит вас на страницу платежного сервиса. Здесь необходимо заполнить форму по инструкции.
- Оплата по счету для юридических лиц. Оплата происходит после предоставления реквизитов для выставления счета. Покупатель получает счет на указанный e-mail.
Доступно 3 варианта доставки:
- Самовывоз из магазина. Список торговых точек для выбора появится в корзине. Для получения заказа обратитесь к сотруднику в кассовой зоне и назовите номер заказа.
- Доставка транспортной компанией СДЭК или Почтой РФ в отделение или постамат.
По всем возникающим вопросам можете позвонить нам на горячую линию:
Ежедневно с 8:00 до 20:00 по МСК
E-mail: help@kristall43.ru
Адрес: 610000, г. Киров, ул. Щорса, 68г, кабинет 3



