Автоматический выключатель дифференциального тока АВДТ32 С10 (2Р, 30 мА)
Автоматические выключатели дифференциального тока АВДТ 32 предназначены для защиты человека от поражения электрическим током при повреждении изоляции электроустановок, для предотвращения пожаров вследствие протекания токов утечки на землю и для защиты от перегрузки и короткого замыкания.
Рекомендуются для защиты групповых линий, питающих розетки наружной установки, розеток и освещения подвалов и гаражей.
Соответствуют ГОСТ Р 51327.1-99.
Преимущества
- Комбинированная схема с электронным модулем дифференциальной защиты и встроенным автоматическим выключателем.
- Наиболее надёжная защита человека при прямом прикосновении к токоведущим частям.
- Независимый индикатор положения контактов.
- Широкий диапазон рабочих температур.
- Насечки на контактных зажимах снижают тепловые потери и увеличивают механическую устойчивость соединения.
- Наличие кнопки "Тест" для проверки работоспособности устройства и правильности подключения.
- Габариты АВДТ соответствуют 2-модульному исполнению за счёт размещения элементов конструкции.
- Помехоустойчивая схема.
- Быстрый монтаж с помощью защелки с двойным фиксированным положением.
- Увеличенная способность 6 кА позволяет устанавливать АВДТ в качестве вводных автоматов защиты.
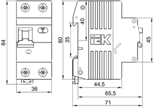
Габаритные размеры

Особенности конструкции
![]() |
Комбинированная схема с электронным модулем дифференциальной защиты, варистором класса D и встроенным выключателем серии ВА47-60 обеспечивает 4 вида защиты: oт дифференциального тока (тока утечки), короткого замыкания, перегрузки, а также защиту внутренних частей устройства от импульсных перенапряжений. | ![]() |
Помехоустойчивая схема исключает ложное срабатывание. |
![]() |
Возможность одновременного присоединения шиной Fork и гибким проводником для распределения питания цепи через верхние зажимы, а также возможность соединения шиной PIN. | ![]() |
Напайка из серебросодержащего композита повышает износостойкость контактной группы и снижает переходное сопротивление. |
![]() |
Индикатор состояния главной цепи предоставляет точную информацию о состоянии контактов независимо от положения рукоятки. | ![]() |
Дополнительная защита от прогорания корпуса аппарата из-за дуги и отвод тепла за счет антипрогарной пластины. |
![]() |
Широкий диапазон рабочих температур от -25 до +50 °С позволяет использовать выключатель в различных климатических поясах. | ![]() |
Дугогасительная камера из 13 стальных пластин для эффективного гашения дуги. |
![]() |
Быстрый монтаж, дополнительная надежность крепления на DIN-рейке с помощью защелки с двойным фиксированным положением. |
![]() |
Насечки на контактных зажимах снижают тепловые потери и увеличивают механическую устойчивость соединения. |
Технические характеристики
| Артикул | MAD22-5-010-C-30 |
| Номинальный ток, А | 10 |
| Номинальный отключающий дифференциальный ток, мА | 30 |
| Характеристика срабатывания электромагнитного расцепителя | С |
| Число полюсов | 1+N |
| Номинальное напряжение частотой 50 Гц, В | 230 |
| Номинальная отключающая способность, А | 6000 |
| Рабочая характеристика при наличии дифференциального тока с постоянной составляющей | А |
| Время отключения при номинальном дифференциальном токе, мс. | 40 |
| Износостойкость, не менее, циклов В-О | 10000 |
| Максимальное сечение присоединяемых проводников, кв.мм | 25 |
| Мощность рассеивания, Вт | 6,5 |
| Степень защиты от пыли и влаги | IP20 |
| Климатическое исполнение и категория размещения | УХЛ4 |
| Диапазон рабочих температур, °С | -25... +40 |
| Вес автомата, кг | 0,19 |
Преимущества
- Доставка по всей России
- Более 200 000 товаров в ассортименте
- Профессиональная консультация
- Кабель БЕЗ опасности
- Качество по ГОСТу
|
Бренд
|
IEK |
|
СрокГарантии, мес
|
60 |
|
Количество полюсов
|
2 |
|
Марка изделия
|
АВДТ32 |
|
Модульная ширина (общее кол-во модульных расстояний)
|
2 |
|
Номинальное напряжение, В
|
230 |
|
Номинальная отключающая способность, кА
|
6 |
|
Номинальный ток утечки, мА
|
30 |
|
Номинальный ток, А
|
10 |
|
Тип тока утечки
|
A |
-
Зайдите на страницу товара и нажмите на кнопку «В корзину».
Далее можно продолжить покупки или перейти к оформлению заказа.
-
Перейдите в Корзину и нажмите «Перейти к оформлению».
Можно авторизоваться или оформить заказ без регистрации. Зарегистрированные пользователи могут:
- Отслеживать статус заказа
- Получать спецпредложения и промокоды на дополнительные скидки
- Укажите Ваши контакты: ФИО, телефон и e-mail.
- Выберите способ получения заказа (доставка или пункт самовывоза) и способ оплаты.
- Далее «Оформить заказ».
Готово: ваш заказ создан! По электронной почте или в личном кабинете Вы можете отслеживать статус заказа.
Теперь останется только ждать доставки и радоваться новой покупке!
Оплачивайте покупки удобным способом.
В нашем интернет-магазине доступно 3 варианта оплаты:
- Оплата наличными или картой при самовывозе в пункте выдачи заказов/магазине.
- Онлайн-оплата на сайте при оформлении заказа. Для совершения покупки система перенаправит вас на страницу платежного сервиса. Здесь необходимо заполнить форму по инструкции.
- Оплата по счету для юридических лиц. Оплата происходит после предоставления реквизитов для выставления счета. Покупатель получает счет на указанный e-mail.
Доступно 3 варианта доставки:
- Самовывоз из магазина. Список торговых точек для выбора появится в корзине. Для получения заказа обратитесь к сотруднику в кассовой зоне и назовите номер заказа.
- Доставка транспортной компанией СДЭК или Почтой РФ в отделение или постамат.
По всем возникающим вопросам можете позвонить нам на горячую линию:
Ежедневно с 8:00 до 20:00 по МСК
E-mail: help@kristall43.ru
Адрес: 610000, г. Киров, ул. Щорса, 68г, кабинет 3









