Выключатель автоматический дифференциального тока АВДТ32 TDM SQ0202-0503 (1P+N, 16 А, характеристика C, тип AC, 30 мА, 4,5 кА)
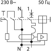
Автоматический выключатель дифференциального тока TDM серии АВДТ32 со встроенной защитой от сверхтоков (отключающая способность 4,5 кА) предназначен для эксплуатации в однофазных сетях переменного тока напряжением 230 В и частотой 50 Гц.
АВДТ32 представляет собой компактный дифференциальный автомат и сочетает в себе функции автоматического выключателя и выключателя дифференциального тока.

АВДТ32 выполняет следующие функции:
- проведение тока в нормальном режиме;
- обнаружение дифференциального тока, сравнение его со значением дифференциального тока срабатывания и отключение защищаемой цепи в случае, когда дифференциальный ток превосходит это значение;
- автоматическое отключение электроустановки при появлении сверхтоков.
АВДТ32 обеспечивает:
- защиту человека от поражения электрическим током в случае прямого прикосновения к токоведущим частям электроустановок;
- защиту людей при косвенном контакте с доступными проводящими частями электроустановок при повреждении изоляции;
- защиту от пожаров, возникающих из-за утечек дифференциального (остаточного) тока на землю при повреждении изоляции токоведущих частей;
- защиту от сверхтоков (перегрузка и короткое замыкание), возникающих в электроустановках зданий.
Применение
- Розеточные группы ванных и душевых помещений.
- Цепи освещения подвалов и гаражей.
- Инфраструктурные объекты.
- Жилые дома.
- Групповые линии, питающие розетки наружной установки.
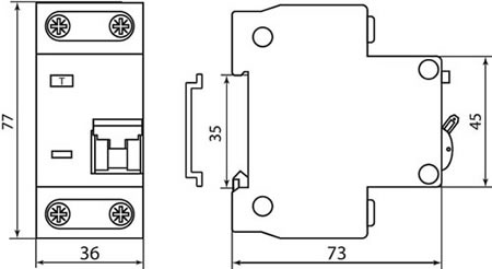
Размеры

Материалы и цвета
| Цвет корпуса | Серый |
| Материал корпуса | пластик, не поддерживающий горение |
Особенности конструкции
- Аппарат занимает два стандартных модуля в щитке (36 мм).
- В фазном полюсе расположен механизм управления 2-полюсного автоматического выключателя с элементами защиты от сверхтоков и системой дугогашения.
- В нулевом полюсе расположен механизм независимого расцепления с электромагнитом сброса защелки, трансформатор дифференциального тока, кнопка "Тест" и электронный усилитель.
- На лицевой панели также находится окошко, отображающее срабатывание АВДТ (индикация утечки).
- Питание электронного усилителя осуществляется от фазы 1(З) и нулевого полюса.
- Контактные группы снабжены серебряными наплавками для увеличения срока службы контактов.
- Насечки на контактных зажимах предотвращают перегрев и оплавление проводов за счет более плотного и большего по площади контакта.
- Маркировка на корпусе выполнена в соответствии с требованиями ГОСТ и не подвержена стиранию в пределах срока эксплуатации.
Технические характеристики
| Тип изделия | автоматический выключатель дифференциального тока |
| Число полюсов | 1P+N |
| Наличие защиты от сверхтоков | в фазном полюсе |
| Модульная ширина (шаг 18 мм) | 2 |
| Номинальное рабочее напряжение Ue, В | 230 |
| Номинальная частота сети, Гц | 50 |
| Номинальный ток In, А | 16 |
| Номинальный отключающий дифференциальный ток (уставка) IΔn, мА | 30 |
| Номинальный неотключающий дифференциальный ток IΔno, мА | 0,5 IΔn |
| Номинальная наибольшая коммутационная способность Icn, А | 4500 |
| Номинальная дифференциальная наибольшая включающая и отключающая способность Icn, А | 4500 |
| Рабочая характеристика в случае дифференциального тока с составляющей постоянного тока, тип | АС |
| Характеристика срабатывания от сверхтоков | С |
| Тип расцепителя | электромагнитный |
| Потребляемая мощность, не более, Вт | 0,5 |
| Механическая износостойкость, не менее, циклов В-О | 15000 |
| Электрическая износостойкость, не менее, циклов В-О | 6000 |
| Диапазон рабочих температур, °С | -25... +40 |
| Степень защиты от пыли и влаги | IP20 |
| Климатическое исполнение и категория размещения | УХЛ4 (ГОСТ 14254-96) |
| Максимальное сечение проводников, присоединяемых к зажимам, кв.мм | 25 |
| Вес изделия, г | 155 |
Схема подключения

Преимущества
- Доставка по всей России
- Более 200 000 товаров в ассортименте
- Профессиональная консультация
- Кабель БЕЗ опасности
- Качество по ГОСТу
|
Бренд
|
TDM |
|
СрокГарантии, мес
|
12 |
|
Количество полюсов
|
2 |
|
Марка изделия
|
АВДТ32 |
|
Модульная ширина (общее кол-во модульных расстояний)
|
2 |
|
Номинальная отключающая способность, кА
|
4.5 |
|
Номинальный ток утечки, мА
|
30 |
|
Номинальный ток, А
|
16 |
|
Тип тока утечки
|
AC |
-
Зайдите на страницу товара и нажмите на кнопку «В корзину».
Далее можно продолжить покупки или перейти к оформлению заказа.
-
Перейдите в Корзину и нажмите «Перейти к оформлению».
Можно авторизоваться или оформить заказ без регистрации. Зарегистрированные пользователи могут:
- Отслеживать статус заказа
- Получать спецпредложения и промокоды на дополнительные скидки
- Укажите Ваши контакты: ФИО, телефон и e-mail.
- Выберите способ получения заказа (доставка или пункт самовывоза) и способ оплаты.
- Далее «Оформить заказ».
Готово: ваш заказ создан! По электронной почте или в личном кабинете Вы можете отслеживать статус заказа.
Теперь останется только ждать доставки и радоваться новой покупке!
Оплачивайте покупки удобным способом.
В нашем интернет-магазине доступно 3 варианта оплаты:
- Оплата наличными или картой при самовывозе в пункте выдачи заказов/магазине.
- Онлайн-оплата на сайте при оформлении заказа. Для совершения покупки система перенаправит вас на страницу платежного сервиса. Здесь необходимо заполнить форму по инструкции.
- Оплата по счету для юридических лиц. Оплата происходит после предоставления реквизитов для выставления счета. Покупатель получает счет на указанный e-mail.
Доступно 3 варианта доставки:
- Самовывоз из магазина. Список торговых точек для выбора появится в корзине. Для получения заказа обратитесь к сотруднику в кассовой зоне и назовите номер заказа.
- Доставка транспортной компанией СДЭК или Почтой РФ в отделение или постамат.
По всем возникающим вопросам можете позвонить нам на горячую линию:
Ежедневно с 8:00 до 20:00 по МСК
E-mail: help@kristall43.ru
Адрес: 610000, г. Киров, ул. Щорса, 68г, кабинет 3